PRODUCTS
製品情報 鋳鉄製精密ヤゲン台A型 OS-126 OS-126
基本情報
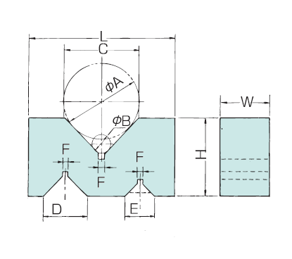
●V溝は90°に仕上げされており、2個1組の同一加工で仕上がっております。
●精密罫書の測定治具、嵩上げブロックとしてご利用頂けます。
●丸棒の精密検査や精密ケガキ等にご利用頂けます。
●等級は二種類用意しております。 機械仕上とA級(摺合【キサゲ仕上】)
PRODUCTS
●V溝は90°に仕上げされており、2個1組の同一加工で仕上がっております。
●精密罫書の測定治具、嵩上げブロックとしてご利用頂けます。
●丸棒の精密検査や精密ケガキ等にご利用頂けます。
●等級は二種類用意しております。 機械仕上とA級(摺合【キサゲ仕上】)