PRODUCTS

製品情報 Vブロック OS-129 OS-129

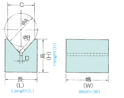
ブロック

OS-129

Vブロック OS-129

基本情報

●2級品 ●1級品    

●普通のVブロック(ヤゲン台)と使用目的は全く一緒です。
★材 質・・・・・S50C
★焼入品
★焼入硬度:Hv653以上

V-BLOCK (JIS B 7540)
●Class 2 ●Class 1
●Applications are the same as standard type V-blocks.
★Material・・・・・S50C
★Hardened
★Hardness : Hv653 or more